• Dorsey Metrology
    * Mas de 60 años de experiencia
    * Comparadores Horizontales ( de 14 a 23 in)
    * Comparadores Verticales ( 16in)
    * Comparadores Automaticos
    * Comparadores Manuales
    * Herramientas de medicion
    * Herramientas personalizadas
  • Equipo Horizontal 14HE
    Los Mejores comparadores en Mexico
    * Comparador Optico de 14in
    * Comparador manual
    * Ajusta a cualquier presupuesto
    * Gran variedad de visualizadores
    * Imagen invertida
    * Recorrido de 8X4in
  • Equipo Horizontal 14H
    Los Mejores comparadores en Mexico
    * Comparador Optico de 14in
    * Comparador manual
    * Imagen Recta
    * Gran variedad de visualizadores
    * Iluminacion de superficie por Led
    * Recorrido de 8X4in
  • Equipo Horizontal 16H
    Los Mejores comparadores en Mexico
    * Comparador Optico de 16in
    * Deteccion con o sin deteccion de Orilla * Comparador manual o automatico
    * viajes de 4X24in,10x6in
    * Gran variedad de visualizadores
    * Uso Rudo
    * Servicio y entrenamiento en Mexico
  • Equipo Vertical 16VS
    Los Mejores comparadores en Mexico
    * Comparador Optico de 16in
    * Comparador manual o automatico
    * viaje de 8X4in
    * Gran variedad de visualizadores
    * Uso Rudo
    * Servicio y entrenamiento en Mexico
  • Equipo Horizontal 24in
    Comparador Optico uso rudo
    * 24 pulgadas
    * Gran exactitud
    * Motorizado o totalmente CNC
    * Gran variedad de Visualizadores
    * Viaje de 20X10in
    * Deteccion interna de orilla
    * Iluminacion de superficie
  • Equipo Horizontal 32in
    Comparador Optico uso rudo
    * 32 pulgadas
    * Gran exactitud
    * Motorizado o totalmente CNC
    * Gran variedad de Visualizadores
    * Viaje de 18X10in
    * Deteccion interna de orilla
    * Iluminacion de superficie
  • Equipo Horizontal 32in
    Comparador Optico uso rudo
    * 32 pulgadas
    * Gran exactitud
    * Motorizado o totalmente CNC
    * Gran variedad de Visualizadores
    * Viaje de 18X14in
    * Deteccion interna de orilla
    * Iluminacion de superficie
  • Equipo Vertical 24in
    De orden especial
    * 24 pulgadas de visor
    * Gran exactitud
    * Motorizado o totalmente CNC
    * Gran variedad de Visualizadores
    * Viaje de 18X14in
    * Deteccion interna de orilla
    * Iluminacion de superficie
  • Variedad de visualizadores
    Gran felxibilidad
    Visualizadores Heidenhain
    * ND120
    * ND1100
    * ND1200
    * ND1300
    Visualizadores Metlogix
    * M2 basic
    Basados en PC Windos
  • Gran variedad de Herramientas
    Equipo convencional de medicion
    Soluciones de medicion
    Medicion Personalizada
    Indicadores
    Bore Gauges
    Snap Gauges
    Rin Gauges

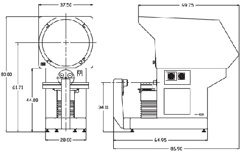
Comparador Optico Horizontal de 32in 32P

El 32P fue dise?ado con ?pticas telec?ntricas claras y n?tidas y un cuerpo de hierro fundido s?lido de precisi?n para ser un instrumento capaz de manejar casi cualquier medida /requisito de inspecci?n. Esta fabricaci?n de acero soldado asegura a?os de servicio preciso y sin problemas. Dorsey los Mejores comparadores opticos en Mexico

Requiere mayor informacion? haga click aqui

Caracteristicas

+ Pantalla de vidrio de 32" (800mm) con lineas de cruce de 90 grados y sujetadores para plantillas

+ Imagen Recta y en sentido contrario

+ Optica Par focal telecentrica

+ Torreta de cambio de 3 lentes

+ Luz de contorno birllante de 24V 150Watts

+ Luz de superficie de fibra optica de 250Watts

+ Mesa de acero solido niquelado

+ Baleros de rodillo cruzados para los ejes X y Y

+ Tres ranuras universal para sujecion

+ Tamano de la mesa de 36" x 8" (914X200mm)

+ Viaje de medicion en X con candado para movimiento rapido y fino 24" / (610mm)

+ Viaje de medicion en Y (arriba y abajo) 10" / (250mm)

+ Capacidad de carga de 500lbs

+ Ajuste de foco Motorizado 3in

+ Ajuste de angulo de fuente de luz de +/- 15 grados con vernier de ajuste de vernier de 5 min

+ Joystic para control de posicion de ejes incluyendo Foco

+ Certificado traceable NIST

+ Equipados con escalas de 1/4 de mircon de alta exactitud

+ Dos a?os de garantia limitada

Opciones

* Deteccion de orilla interna

* Lentes Nikon

* Cortinas exteriores

* Diferentes tipos de visualizadores, haga click aqui para verlos

* Medidor de angulo Electronico Q con calculo en el visualizador

* Paquete de sellado para ambientes muy rudos

* Recorrido en X hasta de 24in

* Iluminacion de superficie a traves de los lentes de alto brillo

* Eje Q (angulo) en el visualizador

* Diferentes magnificaciones disponibles

* Accesorios y sujetaores

Borbolla Metrology Distribuidor de Comparadores Dorsey en Mexico, los mejores comparadores opticos de Mexico y del mundo.